订购服务热线:
400-9922-918
首页
关于我们
产品展示
生产实力
行业应用
新闻中心
售后服务
人才招聘
联系我们
手机: 13510720996
邮箱: [email protected]
网址:
诚信通 https://szxds123.1688.com
< >
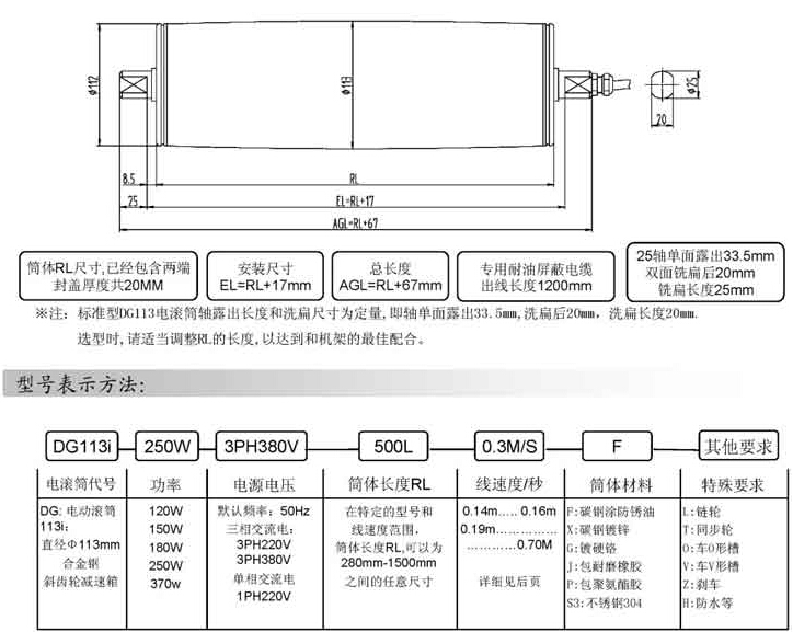
两端齿轮电动滚筒.